在线留言 收藏本站 网站地图欢迎进入博鱼体育·(中国)官方网站网站!

青天仪表

20年专注流体测控设备,畅销全球近200个国家稳定性好、库存充足、支持定制

服务热线:15890954071

青天仪表,工程案例

热门关键词: 电磁流量计 超声波流量计 气体流量计 涡街流量计 明渠流量计 旋进漩涡流量计 金属管浮子流量计

您的位置: 首页 > 全站搜索

搜索结果

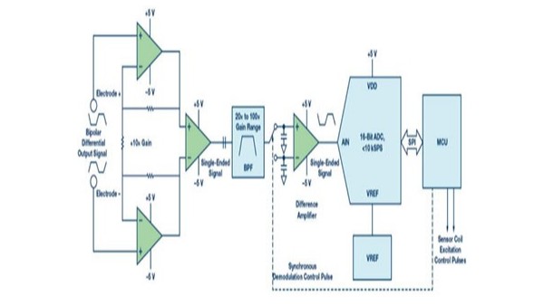
电磁流量计传感器测量的传统方法是什么?

电磁流量计传感器测量的传统方法是什么?

电磁流量计传感器测量的传统方法大致上是模拟式—具有高输入阻抗和高输入共模抑制性能的前置放大器用来应对传感器漏电流效应,然后是三阶或四阶模拟带通滤波器和采样保持级,最后是模数转换。典型模拟前端方法如下图所示。传感器输出信号首先经由仪表放大器放大。必须尽量放大目标信号,同时要避免不需要的直流共模电......